Shopping Cart
Ostoskorisi on tyhjä!
Välisumma:
0,00 €
Näytä ostoskori
Kassa


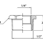
Maestrinin sovituskappaleella yhdistetään urosliitin naarasliittimeen. Valmistettu korroosionkestävästä messingistä (tunnetaan myös CR- tai DZR-messinkinä). Materiaali on messinkiseosta, joka ehkäisee sinkkikadon aiheuttamaa korroosiota ja kestää altistumisen merivedelle.
Paineluokitus: 580 PSI (40 baaria)
Kierteen koko: 1/2″ BSP uros, 1/4″ BSP naaras
Kuusiomutterin leveys: 24 mm
Pituus: 21 mm
| Paino (kg) | 0.036 kg |
|---|---|
| Pituus (mm) | 21 mm |
| Pakkauskoko | 1 |
| Kierre | 1/2" |
| Tekninen nimi | 7241DxB |